Welding Robot Kawasaki RA010N
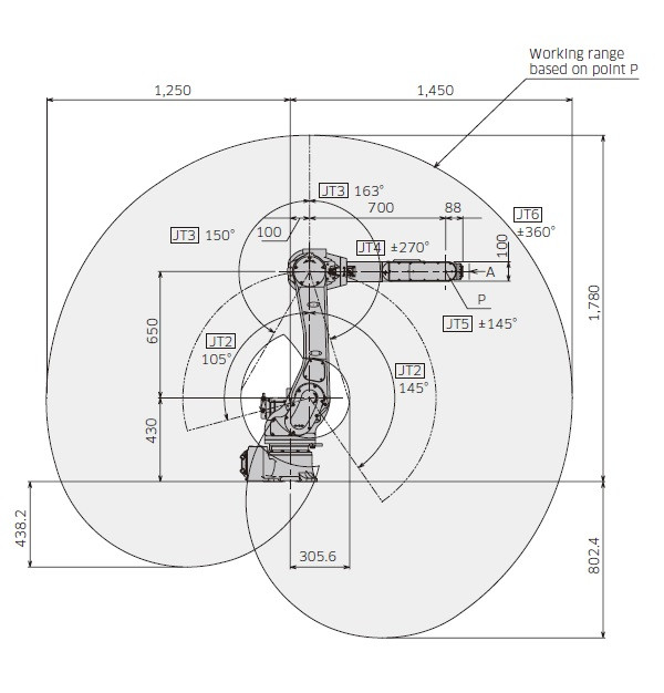
RA010N is a 6-axis industrial welding robot from Kawasaki with a payload of 10 kg and a working range of 1450 mm. RA010N is equipped with special software for arc welding, which allows you to quickly and easily program the technological process. The adaptive welding function allows you to adjust the robot's position, stroke and speed during the welding process. The flexibility and high accuracy of Kawasaki robots ensure uninterrupted quality and maximum productivity, which in turn makes them an ideal solution for arc welding automation.
Features:
Compact design
High speed and positioning accuracy
Working range 1450 mm
Load capacity 10 kg
- Manufacturer
-
- Reach
- 1450 mm
- Payload
- 10 kg
- Model
- RA010N
- Axes
- 6
- Solutions
Specifications
Manufacturer | Kawasaki |
Model | RA010N |
Reach, mm | 1450 |
Axes | 6 |
Payload, kg | 10 |
Repeatability mm, mm | ± 0.03 |
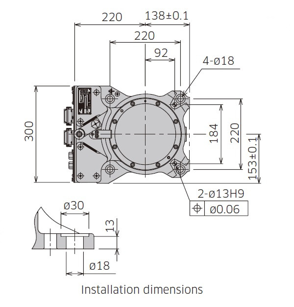
Weight kg, kg | 150 |
Controller | E01 |
Motion range, ° | |
---|---|
J1 | ± 180 |
J2 | + 145/-105 |
J3 | +150/-163 |
J4 | ± 270 |
J5 | ± 145 |
J6 | ± 360 |
Maximum speed, °/s | |
---|---|
J1 | 250 |
J2 | 250 |
J3 | 215 |
J4 | 365 |
J5 | 380 |
J6 | 700 |