Welding Robot Kawasaki BX100N
BX100N is a 6-axis hollow wrist industrial robot from Kawasaki, capable of handling objects weighing up to 100 kg. The BX100N features high speed and positioning accuracy, has an average working range of 2200 mm and is suitable for spot welding automation, machine maintenance, assembly and material handling.
Features:
Hollow and compact design
High speed and positioning accuracy
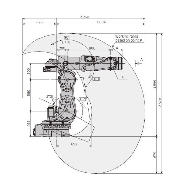
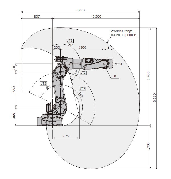
Working range 2200 mm
Load capacity 100 kg
- Manufacturer
-
- Reach
- 2200 mm
- Payload
- 100 kg
- Model
- BX100N
- Axes
- 6
- Solutions
Specifications
Manufacturer | Kawasaki |
Model | BX100N |
Reach, mm | 2200 |
Axes | 6 |
Payload, kg | 100 |
Repeatability mm, mm | ± 0.06 |
Weight kg, kg | 740 |
Controller | E02 |
Motion range, ° | |
---|---|
J1 | ± 160 |
J2 | + 120/-65 |
J3 | +90/-77 |
J4 | ± 210 |
J5 | ± 125 |
J6 | ± 210 |
Maximum speed, °/s | |
---|---|
J1 | 135 |
J2 | 110 |
J3 | 140 |
J4 | 200 |
J5 | 200 |
J6 | 300 |