Welding Robot Kawasaki BA006N

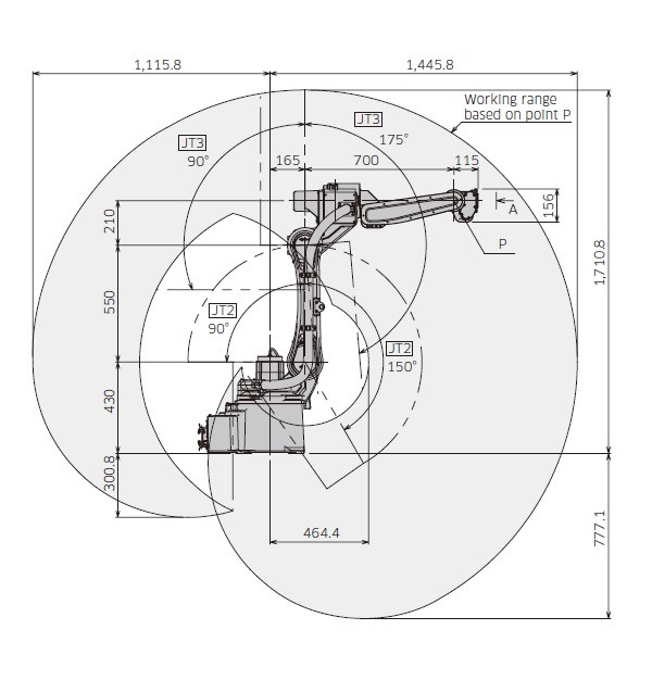
BA006N 6-axis industrial welding robot with hollow wrist from Kawasaki with a payload of 6 kg and a working range of 1445 mm. BA006N is equipped with special software for arc welding, which allows for quick and easy programming of the technological process. The adaptive welding function allows for adjustment of the robot position, stroke and speed during the welding process. The flexibility and high precision of Kawasaki robots ensure uninterrupted quality and maximum productivity, which in turn makes them an ideal solution for arc welding automation.

Features:

  • Hollow and compact design

  • High speed and positioning accuracy

  • Working range 1445 mm

  • Load capacity 6 kg

Manufacturer
Reach
1545 mm
Payload
6 kg
Model
BA006N
Axes
6
Solutions
Get Quotation

Specifications

Manufacturer Kawasaki
Model BA006N
Reach, mm 1545
Axes 6
Payload, kg 6
Repeatability mm, mm ± 0.06
Weight kg, kg 150
Controller E01
Motion range, °
J1 ± 165
J2 + 150/-90
J3 +90/-175
J4 ± 180
J5 ± 135
J6 ± 360
Maximum speed, °/s
J1 240
J2 240
J3 220
J4 430
J5 430
J6 650