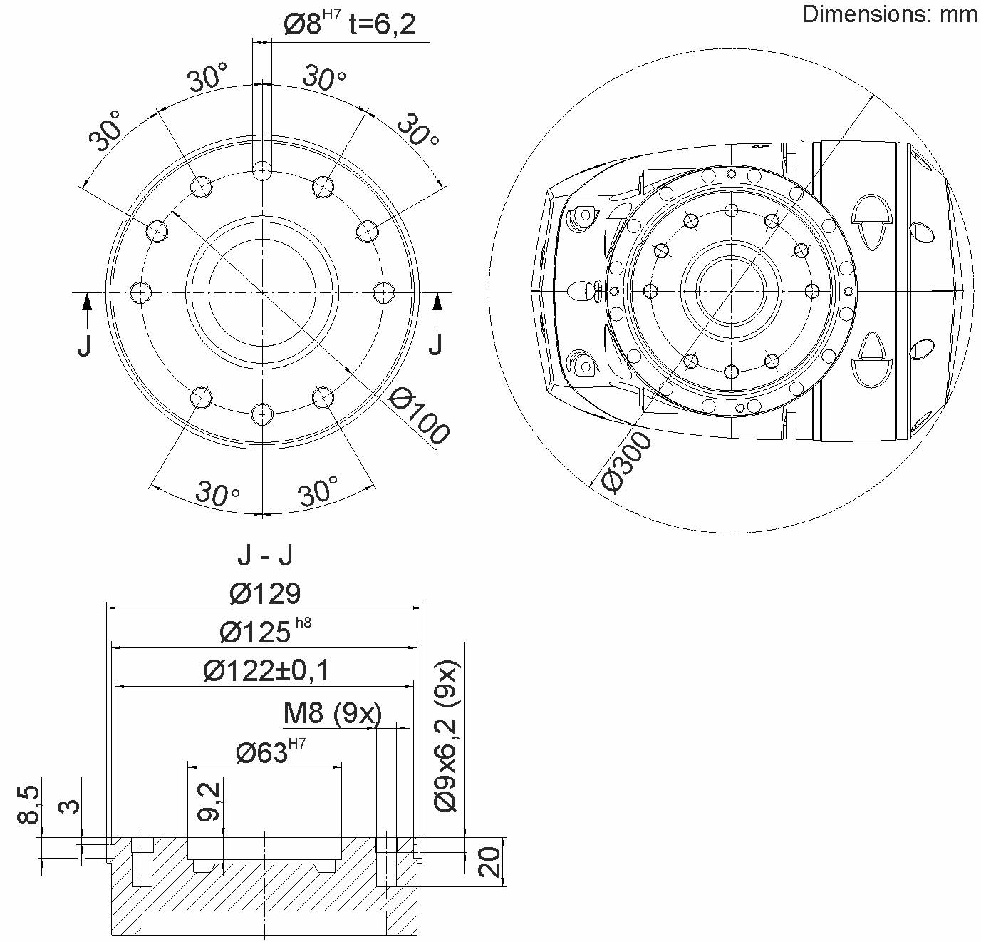
Industrial robot KUKA KR 50 R2100 CR lite
KR 30 R2100 - 6-axis universal industrial robot with long arm from KUKA from the KR IONTEC series, capable of providing maximum productivity and optimal use of the working space, thanks to its compact and hollow design. KR 30 R2100 is ideal for handling loads up to 30 kg, assembly, packaging and palletizing.
Features:
Hollow and compact design
Large radius of action 2100 mm
Various mounting options
Possibility to work in limited spaces
- Manufacturer
-
- Reach
- 2101 mm
- Payload
- 50 kg
- Model
- KR 50 R2100 CR lite
- Axes
- 6
- Solutions
Specifications
| Manufacturer | KUKA |
| Model | KR 50 R2100 CR lite |
| Country | Germany |
| Reach, mm | 2101 |
| Axes | 6 |
| Payload, kg | 50 |
| Repeatability mm, mm | ± 0.05 |
| Weight kg, kg | 533 |
| Controller | KR C5; KR C4 |
| Type | Articulated |
| Motion range, ° | |
|---|---|
| A1 | ±185 |
| A2 | -175/60 |
| A3 | -120/165 |
| A4 | ±180 |
| A5 | ±125 |
| A6 | ±350 |
| Maximum speed, °/s | |
|---|---|
| A1 | 180 |
| A2 | 175 |
| A3 | 175 |
| A4 | 250 |
| A5 | 250 |
| A6 | 360 |
| Protection | |
|---|---|
| Protection rating (IEC 60529) | IP65 |
| Protection rating, robot wrist (IEC 60529) | IP65/IP67 |