Industrial robot KUKA KR 1000 titan F
KR 1000 L750 titan is a versatile and heavy-duty 6-axis industrial robot from KUKA of the KR 1000 titan series. KUKA KR 1000 L750 titan is capable of handling loads up to 750 kg in a working range of 3601 mm. The robot is suitable for a wide range of tasks from welding to palletizing and assembly.
Features:
Hollow design
3601 mm radius
High repeatability
Load capacity 750 kg
- Manufacturer
-
- Reach
- 3202 mm
- Payload
- 1000 kg
- Model
- KR 1000 titan F
- Axes
- 6
- Solutions
Specifications
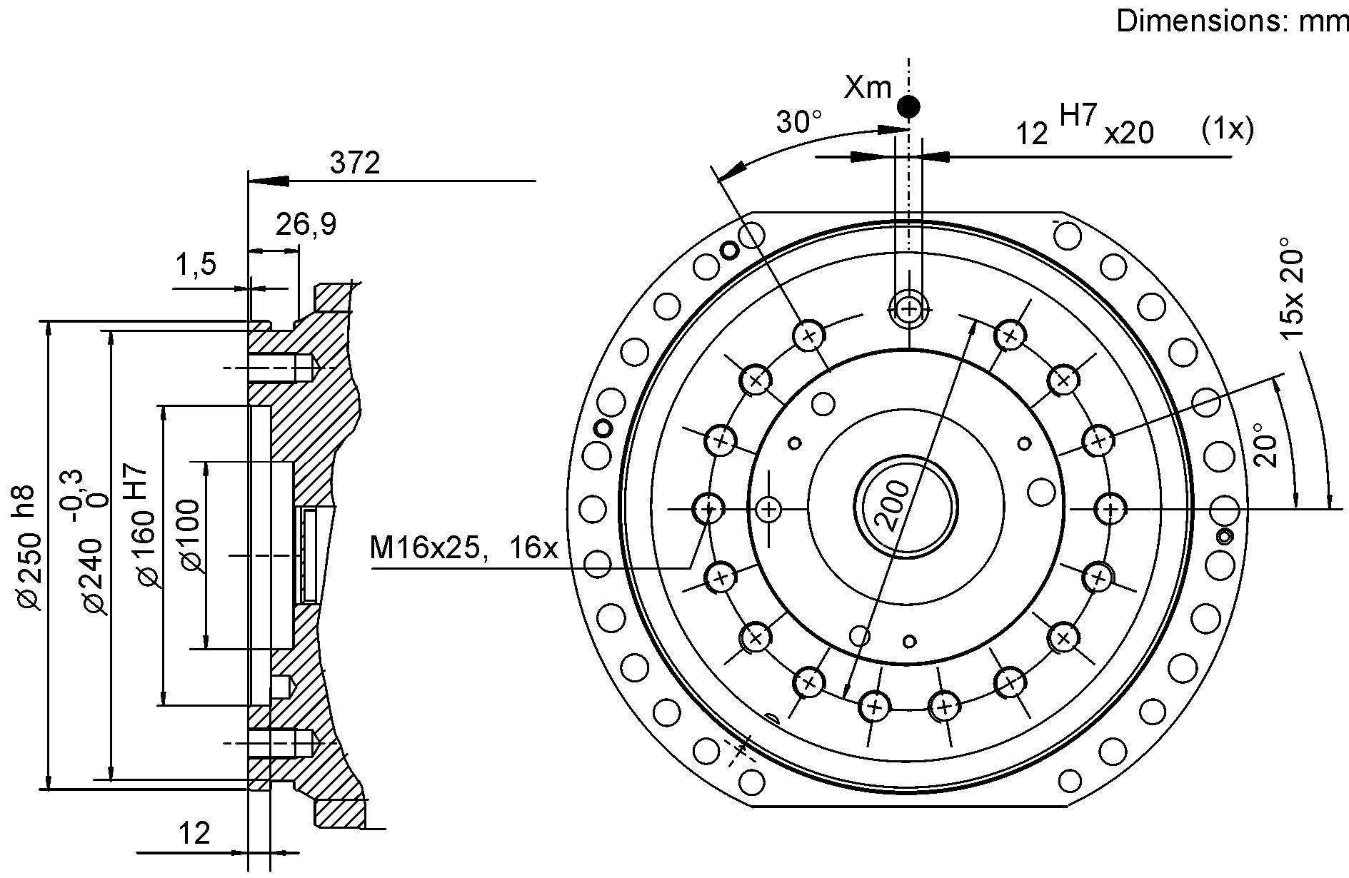
Manufacturer | KUKA |
Model | KR 1000 titan F |
Country | Germany |
Reach, mm | 3202 |
Axes | 6 |
Payload, kg | 1000 |
Repeatability mm, mm | ± 0.1 |
Weight kg, kg | 4700 |
Controller | KR C4 |
Type | Articulated |
Motion range, ° | |
---|---|
A1 | ± 150 |
A2 | - 130/17,5 |
A3 | - 110/145 |
A4 | ± 350 |
A5 | ± 118 |
A6 | ± 350 |
Maximum speed, °/s | |
---|---|
A1 | 58 |
A2 | 50 |
A3 | 50 |
A4 | 60 |
A5 | 60 |
A6 | 72 |
Protection | |
---|---|
Protection rating (IEC 60529) | IP65 |
Protection rating, robot wrist (IEC 60529) | IP67 |