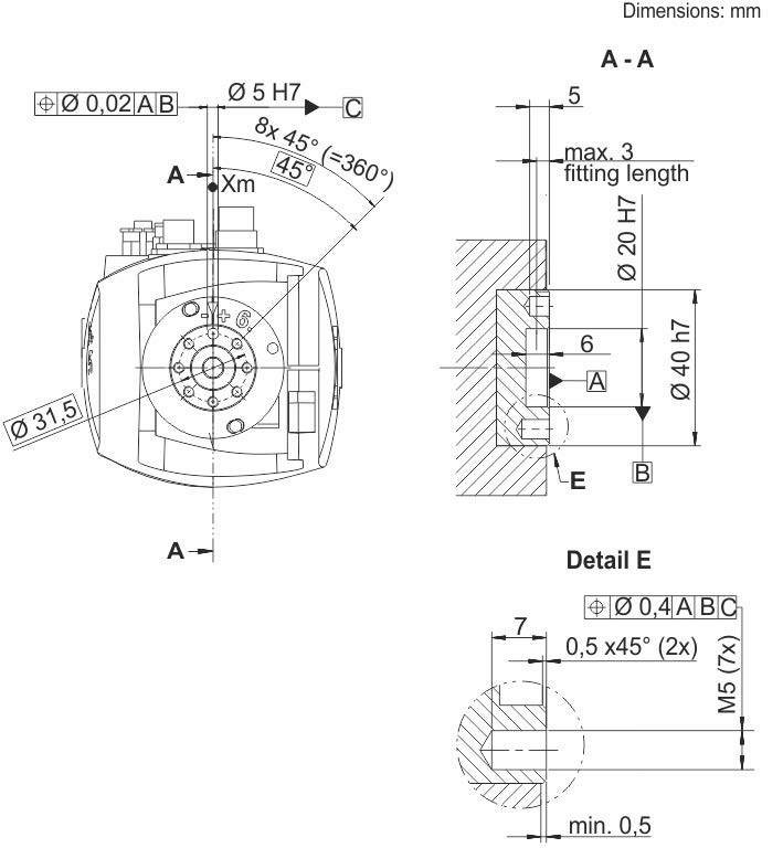
Industrial robot KUKA KR 10 R1100 CR

KR 10 R1100-2 is a cost-effective and reliable 6-axis industrial robot from KUKA, and one of the fastest in its class. The robot is ideal for projects that require minimal operation time with maximum productivity, for the production of small parts, pick and place, soldering, gluing, packaging, testing and other operations. KR 10 R1100-2 is a reliable automation solution that will ultimately help you save money in many areas, including reduced maintenance costs.

Features:

  • Compact design

  • 1101 mm radius

  • High repeatability

  • 10 kg load capacity

  • Ability to work in confined spaces

Manufacturer
Reach
1101 mm
Payload
10 kg
Model
KR 10 R1100 CR
Axes
6
Get Quotation

Specifications

Manufacturer KUKA
Model KR 10 R1100 CR
Country Germany
Reach, mm 1101
Axes 6
Payload, kg 10
Repeatability mm, mm ± 0.03
Weight kg, kg 55
Controller KR C5 micro; KR C4 smallsize-2; KR C4 compact
Type Articulated
Motion range, °
A1 ± 170
A2 - 195/40
A3 - 120/156
A4 ± 185
A5 ± 120
A6 ± 350
Protection
Protection rating (IEC 60529) IP54
Protection rating, robot wrist (IEC 60529) IP54