Industrial robot Kawasaki RD080N
RD080N - 5-axis compact industrial robot palletizer from Kawasaki with one of the best cycle times, a wide range of movement, a load capacity of 80 kg, a compact and energy-saving controller and simple and intuitive operation. RD080N will provide reliability and high speed and accuracy of pallet assembly and will help to increase the efficiency of production lines.
Features:
Compact design
High speed and positioning accuracy
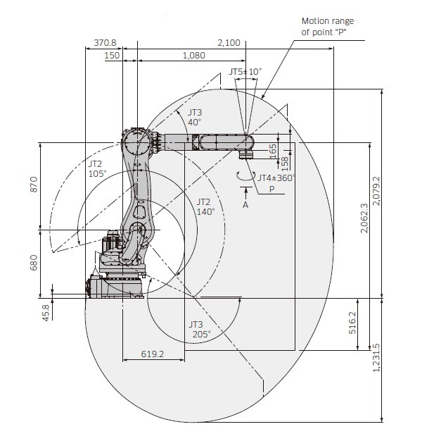
Working range 2100 mm
Load capacity 80 kg
- Manufacturer
-
- Reach
- 2100 mm
- Payload
- 80 kg
- Model
- RD080N
- Axes
- 5
- Industries
- Solutions
Specifications
Manufacturer | Kawasaki |
Model | RD080N |
Country | Japan |
Reach, mm | 2100 |
Axes | 5 |
Payload, kg | 80 |
Repeatability mm, mm | ± 0.07 |
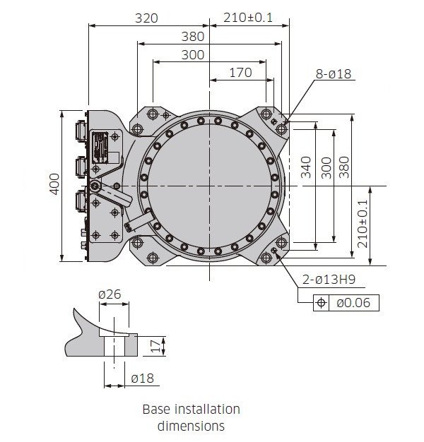
Weight kg, kg | 540 |
Mounting position | Floor |
Controller | E03 |
Type | Articulated robot |
Motion range, ° | |
---|---|
J1 | ± 180 |
J2 | + 140/-105 |
J3 | + 40/-205 |
J4 | ± 360 |
J5 | ± 10 |
Maximum speed, °/s | |
---|---|
J1 | 180 |
J2 | 180 |
J3 | 175 |
J4 | 360 |
Protection | |
---|---|
Base | IP65 |
Wrist | IP67 |